О компании
Доставка
Оплата
Контакты
Графические каталоги
info@tpkvezdehod.ru
8 (902) 618-63-93
Отправить заявку
Каталог
Запчасти МТЛБ
Гусеницы МТЛБ
Запчасти ГАЗ-71
Запчасти ГТТ
Каталог
Запчасти МТЛБ
Запчасти ГАЗ-71
Запчасти ГТТ
О компании
Доставка
Оплата
Контакты
Графические каталоги
8 (902) 618-63-93
info@tpkvezdehod.ru
0
Избранное
0
Корзина
Поиск
0
Избранное
0
Корзина
Главная
Графические каталоги
ТТМ
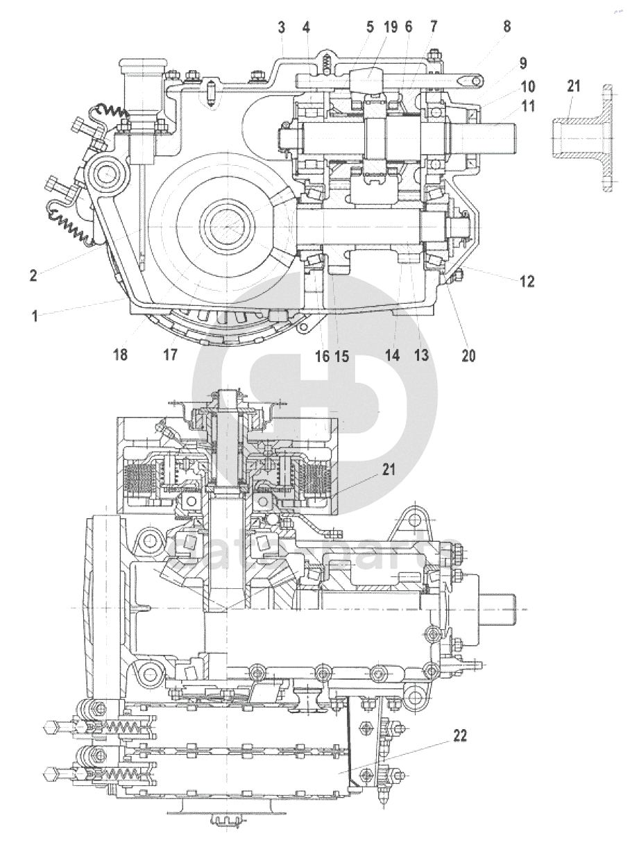
3902
Передача главная
Передача главная 3902
1
2
3
4
5
6
7
8
9
10
11
12
13
14
15
16
17
18
19
20
21
21
22
100
%
1
34039-2601200
Корпус
Кол-во
0
?
Оставить заявку
2
70-141423
Указатель уровня масла картера главной передачи
Кол-во
0
?
Оставить заявку
3
34039-2601130
Крышка верхняя
Кол-во
0
?
Оставить заявку
4
2310
Подшипник
Кол-во
0
?
Оставить заявку
5
34039-3615026
Шестерня ведущая передняя
Кол-во
0
?
Оставить заявку
6
4301-1701141
Подшипник
Кол-во
0
?
Оставить заявку
7
34039-3615027
Шестерня ведущая задняя
Кол-во
0
?
Оставить заявку
8
50309
Подшипник шариковый радиальный
Кол-во
0
?
Оставить заявку
9
34039-2601180
Крышка задняя
Кол-во
0
?
Оставить заявку
10
51-2402052-Б4
Манжета
Кол-во
0
?
Оставить заявку
11
34039-3615022
Вал ведущий
Кол-во
0
?
Оставить заявку
12
Подшипник
Подшипник
Кол-во
0
?
Оставить заявку
13
34039-2601140
Шестерня ведущая главной передачи
Кол-во
0
?
Оставить заявку
14
34039-3615034
Шестерня ведомая задняя
Кол-во
0
?
Оставить заявку
15
34039-3615032
Шестерня ведомая передняя
Кол-во
0
?
Оставить заявку
16
Подшипник
Подшипник
Кол-во
0
?
Оставить заявку
17
47-2501038
Ведомая шестерня главной передачи
Кол-во
0
?
Оставить заявку
18
71-2601210
Вал ведомый
Кол-во
0
?
Оставить заявку
19
34039-3615042
Вилка
Кол-во
0
?
Оставить заявку
20
3902-3615023
Фланец шлицевый
Кол-во
0
?
Оставить заявку
21
47-2503055
Фрикцион
Кол-во
0
?
Оставить заявку
22
Тормоза
Тормоза
Кол-во
0
?
Оставить заявку